Serijska vezava dvožičnih senzorjev
Padci napetosti v serijo vezanih senzorjev se seštevajo. Zato je breme na razpolago le razlika napetosti med vklopno napetostjo in padci napetosti na senzorjih. Priporočilo: v serijo vežemo največ tri senzorje.

OPOZORILO pravilni električni priklop 2 žičnih AC-izmeničnih stikal:
Breme se veže ZAPOREDNO s stikalom L- FAZA (RJAVA barva izolacije)-->BREME (rele, kontaktor, žarnica)-->N-NULA (MODRA barva izolacije) in OZEMLJITEV (RUMENO ZELENA barva izolacije)
Treba je upoštevati MINIMALNI TOK, ki teče skozi brezdotično stikalo (stikalo potrebuje tok za samo delovanje elektronike) in izbrati element (RELE), da pri mirovnem toku NE VKLOPI.
OPOZORILO pravilni električni priklop 2 žičnih DC enosmernih stikal:
Breme se veže ZAPOREDNO s stikalom (+ RJAVA barva izolacije)-->BREME (rele, kontaktor, žarnica)--> (0V MODRA barva izolacije)
Treba je upoštevati MINIMALNI TOK, ki teče skozi brezdotično stikalo (stikalo potrebuje tok za samo delovanje elektronike) in izbrati element (RELE), da pri mirovnem toku skozi stikalo NE VKLOPI.
Serijska vezava trižičnih senzorjev
Padci napetosti v serijo vezanih senzorjev se seštevajo. Zato je breme na razpolago le razlika napetosti med vklop no napetostjo in padci napetosti na senzorjih. Vsako stikalo mora biti sposobno preklapljati tok, ki je seštevek bremenskega toka in toka lastne rabe vseh preostalih senzorjev.

Vzporedna vezava dvožičnih senzorjev
Seštevek vseh preostalih tokov (tokovi skozi neprevodne senzorje) mora biti občutno manjši od držalnega bremenskega toka. Vzporedno vezavo izmeničnih senzorjev ne priporočamo.

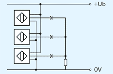
Vzporedna vezava trižičnih senzorjev
Paralelna vezava trižičnih DC senzorjev je možna. Za zaporo tokov skozi kolektorske upore neprevodnih senzorjev priporočamo uporabo zapornih diod.


