Prenesi PDF

TOP izdelki    ~    2x varnostni vhod

GSR modul 440R-D22S2     


Slika:
Shema:
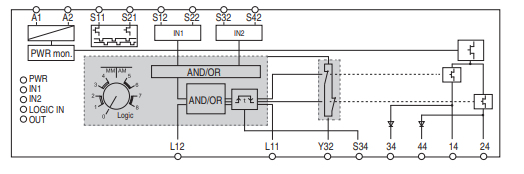
Električna shema:
Lastnost Vrednost
Proizvajalec Rockwell automation Allen Bradley
Oznaka proizvajalca 440R-D22S2
Način reseta avtomatski/ročni
Dimenzija ohišja (VxŠxD) v mm 119 x 22,5 x 113,6
Napajalna napetost U[V] 24 VAC/DC
Montaža za na letev (mm) 35
Izhod 2x elektronski varnostni izhod (solid state izhod) PNP največja obremenitev 1,5A
Maksimalna napetost preklopa izhoda 24V
Temperaturno območje delovanja -20 do +70 °C
Uporaba Za priklop na na 2 napravi istočasno: izhod varnostne svetlobne zavese v industriji, varnostne svetlobne zavese pri osebnem dvigalu, stop tipke, varnostnega stikala.
Zaloga je omejena na 1 kos

Tehnični podatki GSR serija

 Shema priklopa: