Prenesi PDF

Posebna ponudba % zadnji kosi    ~    Nosilec LED

Nosilec FBS LED     


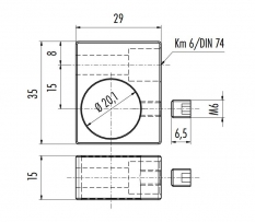
Slika:
Shema:
Lastnost Vrednost
Uporaba Nosilec montažo LED luči na strojih.
Dimenzija 35 X 25 X 115 mm (luknja premera 20,1mm), PVC vijak M6 dolžine 6,5mm
Material ohišja Eloksiran aluminij z poliranimi okroglimi robovi, PVC pritrdilni vijaki LED luči
Opis Set dveh nosilcev za pritrditev LED luči
Zaloga je omejena 1-5 kosov DA
Dobava 1-2 tedna po naročilu