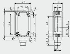
Prenesi PDF Optični senzorji zrcalna zapora ~ Zrcalna zapora-polarizacijska S100-PR-5-B10-PK PNP NO Slika: Shema: Električna shema: Lastnost Vrednost Preklopna razdalja Sn [mm] 0-6000 Odzivni čas 1 ms Nastavitev razdalje NE Svetloba oddajnika rdeča 660 nm Način delovanja temno-prevodni Izvedba optike RAVNA LED funkcija DA Zaščita zamenjave polov Vgrajena Frekvenca preklopa [f] 500 Hz Temperatura območje delovanja - 20 °C do + 55 °C Priklop M8-4p Mehanska zaščita IP 67 Dimenzija ohišja (L) 20x32x12 mm Oblika ohišja Kvader Material ohišja ABS plastika Maksimalni tok I[mA] 100 mA Lastna raba Io[mA] 30 mA Padec napetosti U[Ud] 2 V Napajalna napetost VDC Napajalna napetost U[V] 12 - 30V DC Naročite za priklop 4K 08 0 02 PVC/F+ ODBOJNO STEKLO 40X60 mm Za priklop potrebujete M8 4 polni konektor RAVNI 2m: 4R 08 0 02 PUR/F(X) 5m: 4R 08 0 05 PUR/F(X) 10m 4R 08 0 10 PUR/F(X) KOTNI 2m: 4K 08 0 02 PVC/F(X) 5m: 4K 08 0 05 PUR/F(X) 10 m 4K 08 0 10 PUR/F(X) Tehnični podatki S100 serija