Prenesi PDF

Optični senzorji razno    ~    Svetlobna zapora-oddajnik

S12M-5-G-02     


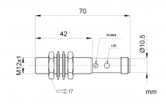
Slika:
Shema:
Električna shema:
Lastnost Vrednost
Dimenzija M12
Preklopna razdalja Sn [mm] 0 - 5000
Napajalna napetost DC
Napajalna napetost U[V] 10-30 V DC
Padec napetosti U[Ud] 1,6 V
Lastna raba Io[mA] 20 mA
Maksimalni tok I[mA] 200 mA
Material ohišja Niklana medenina
Oblika ohišja valjasta
Dimenzija ohišja (L) 70 mm
Mehanska zaščita IP 67
Priklop M12-4 p
Temperatura območje delovanja - 15°C do + 55 °C
Zaščita zamenjave polov Vgrajena
LED funkcija DA
Izvedba optike RAVNA
Način delovanja /
Svetloba oddajnika rdeča 660 nm